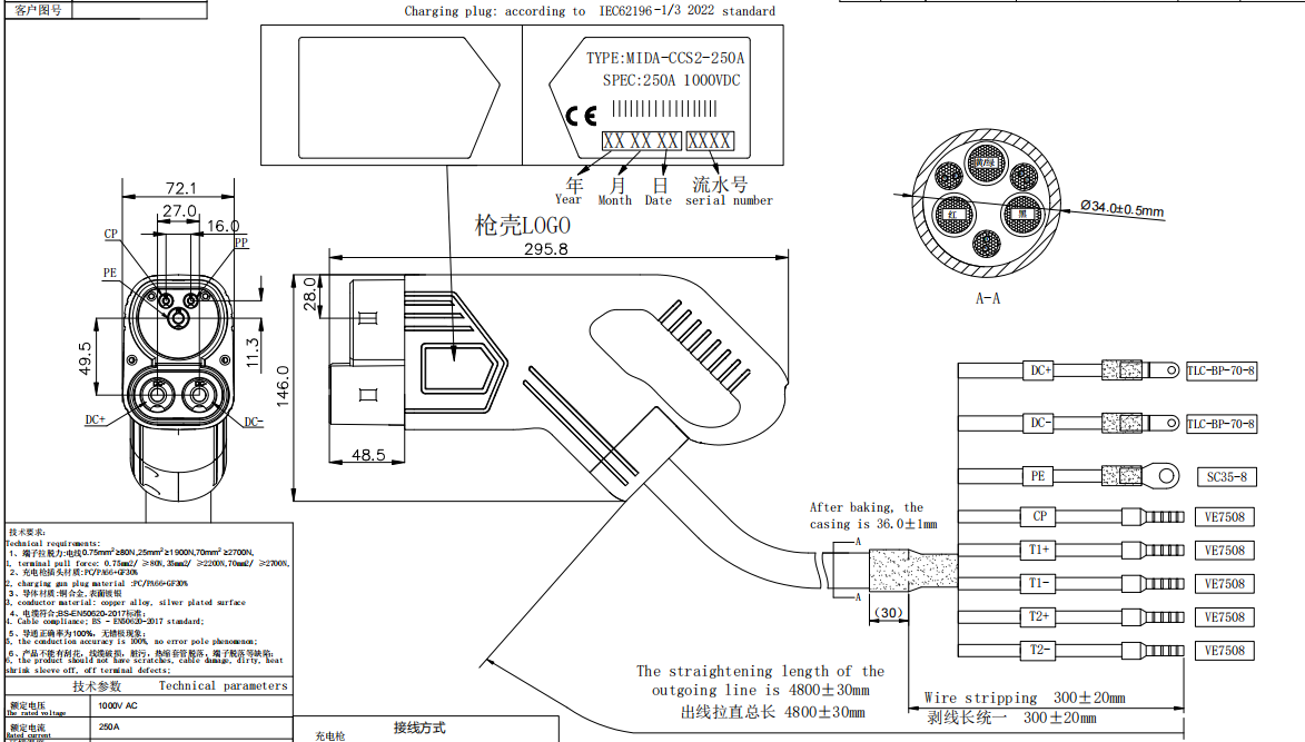
250A DC Fast Charging Plug CCS2 250A Charging Connector CCS2 350A
Technical requirements:
1, terminal pull force: 0.75mm2/ ≥80N,35mm2/ ≥2200N,70mm2/ ≥2700N,
2, charging gun plug material
C/PA66+GF30%
3, conductor material: copper alloy, silver plated surface
4. Cable compliance; BS – EN50620-2017 standard;
5, the conduction accuracy is 100%, no error pole phenomenon;
6, the product should not have scratches, cable damage, dirty, heat
shrink sleeve off, off terminal defects;
250A CCS2 plug with 5m length cable, for building DC Fast Charger Station.
Leave Your Message:
Write your message here and send it to us


















